
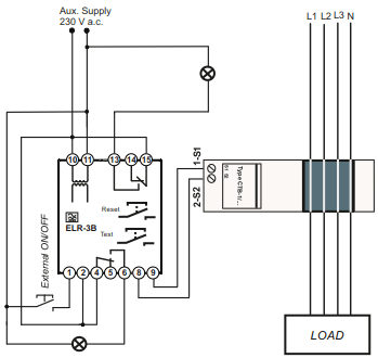
Residual Current Monitor device Type B. Associated to external core balance transformer the CTB-1/xxx family. It has 2 programmables outputs relays. Main trip and prealarm signal. It has one free voltage input for external TRIP/RESET. Mounting in DIN rail 466277 or PANEL 72x72 by means of accesories (3EDA03). Displays setting values and instantaneus earth leakage current value.
Type B relays are widely used where they can generate, in case of failure, continuous discharge currents; Common application fields are:


2019 © Copyright AMAN ENGINEERING EQUIPMENT L.L.C. All rights reserved.

