
| Adjustments | |
|---|---|
| Configurable tripping set-point (I∆n) | 0,025...0,25A 0,25...2,5A 2,5...25A 25...250A (with external multiplier CT1-M) |
| Configurable tripping delay time (t) | 0,02...0,5s 0,2...5s |
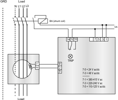
| Order Code | Rated Auxiliary Supply Voltage | Outputs Contacts | Weight (kg) |
|---|---|---|---|
| ELR-3C 12 | 12 VAC/DC | 1 | 0,190 |
| ELR-3C 48 | 24-48 VAC/DC | 1 | 0,190 |
| ELR-3C 415 | 110 VAC/DC-240-415 VAC | 1 | 0,190 |
| ELR-3C 240CC | 240 VDC | 1 | 0,190 |

