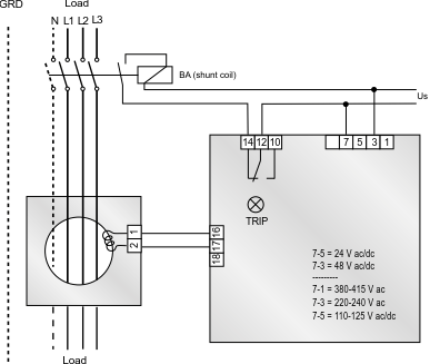
ELR-3F
- Earth leakage relay type A
- External toroidal
- Green power LED indicator (ON)
- Red relay tripped LED indicator (TRIP)
- Front TEST and RESET buttons
- Configurable automatic or manual resetting
- Modular DIN housing, 3 module, with transparent cover
- Degree of protection: IP20 terminals, IP40 on front with cover
| Adjustments |
| Configurable tripping set-point (I∆n) |
fixed 0,3A or 0,5A |
| Configurable tripping delay time (t) |
fixed 0,02s or 0,5s |
| Order Code |
Rated Auxiliary Supply Voltage |
Outputs Contacts |
Weight (kg) |
| ELR-3F 48 |
24-48 VAC/DC |
1 |
0,175 |
| ELR-3F 415 |
110 VAC/DC-240-415 VAC |
1 |
0,175 |
Mechanical Dimensions (mm)
Back