
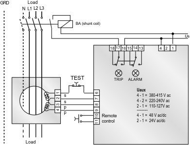
| Adjustments | |
|---|---|
| Configurable tripping set-point (I∆n) | 0,025...0,25A 0,25...2,5A 2,5...25A 25...250A (with external multiplier CT1-M) |
| Prealarm set-point | fixed 70% (ELR-62, ELR-m62 only) |
| Configurable tripping delay time (t) | 0,02...0,5s 0,2...5s. |
| Order Code | Rated Auxiliary Supply Voltage | Outputs Contacts | Weight (kg) |
|---|---|---|---|
| ELR-61 48 | 24-48 VAC/DC | 2 | 0,390 |
| ELR-61 415 | 110-240-415 VAC | 2 | 0,390 |
| ELR-61 /10 Calibration up to 10 mA |
110-240-415 VAC | 2 | 0,390 |
| ELR-m61 48 | 24-48 VAC/DC | 2 | 0,390 |
| ELR-m61 415 | 110-240-415 VAC | 2 | 0,390 |
| ELR-62 48 | 24-48 VAC/DC | 2 | 0,390 |
| ELR-62 415 | 110-240-415 VAC | 2 | 0,390 |
| ELR-m62 48 | 24-48 VAC/DC | 2 | 0,390 |
| ELR-m62 415 | 110-240-415 VAC | 2 | 0,390 |


