ELR-D2-V
- True RMS
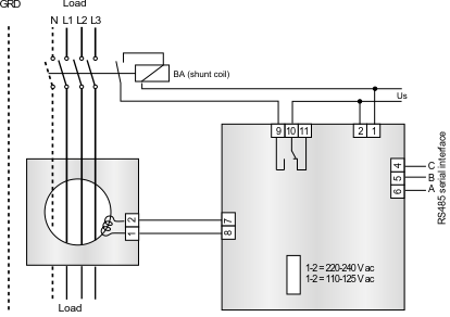
- Earth leakage relay type A
- External toroidal
- Green power LED indicator (ON)
- Red relay tripped LED indicator (TRIP)
- LCD display
- Front TEST and RESET buttons
- RS485 serial interface (Modbus RTU)
- Modular DIN housing, 2 modules, with transparent cover
- Degree of protection: IP20 terminals, IP40 on front with cover
| Adjustments |
| Configurable tripping set-point (I∆n) |
0,03...30A |
| Prealarm set-point |
OFF
50...90% |
| Configurable tripping delay time (t) |
0,02…10 s |
| Order Code |
Rated Auxiliary Supply Voltage |
Outputs Contacts |
Display |
Communication Port |
Weight (kg) |
| ELR-D2 110 |
110 VAC |
1 |
- |
- |
0,200 |
| ELR-D2-V 110 |
110 VAC |
1 |
LCD |
- |
0,200 |
| ELR-D2-V-485 110 |
110 VAC |
1 |
LCD |
RS485 (Modbus RTU) |
0,200 |
| ELR-D2 240 |
240 VAC |
1 |
- |
- |
0,200 |
| ELR-D2-V 240 |
240 VAC |
1 |
LCD |
- |
0,200 |
| ELR-D2-V-485 240 |
240 VAC |
1 |
LCD |
RS485 (Modbus RTU) |
0,200 |
Mechanical Dimensions (mm)
Back